黄金城集团·(中国区)有限公司官网

产品搜索
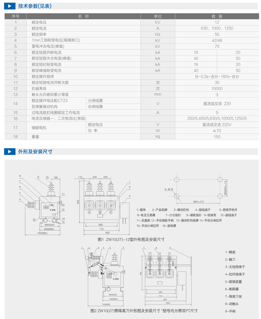
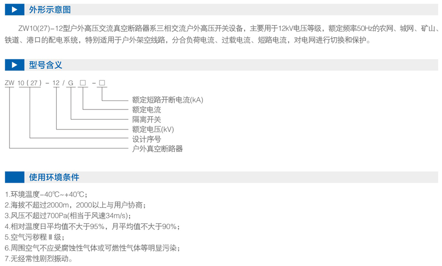
产品总汇|ZW10(27)-12户外高压交流真空断路器

ZW10(27)-12户外高压交流真空断路器

采购:ZW10(27)-12户外高压交流真空断路器

联系人:  *(必填项)
电话:  *(必填项) 邮箱: (如:abc@163.com)
产品: 数量:
订购备注:  *

相关产品

友链:电动汽车充电桩、应急发电车快速接入装置、不锈钢扎带、无火花型电缆连接器、矿用电缆连接器、铜带软连接、防爆配电箱、防爆配电柜、DTU配网自动化终端 、海格微型断路器、自锁式不锈钢扎带、应急电源接口、MC工业连接器、防爆大电流连接器、不锈钢扎带、聚容电气、江苏聚容、精密位移平台、手动位移平台、无火花型防爆插头插座、艾博电气
黄金城集团