黄金城集团·(中国区)有限公司官网
Nav open
明及电气
Nav open
产品
PRODUCT
产品中心
资质证书
订货须知
资料索取
服务
SERVICE
客服服务
质量承诺
技术支持
投诉建议
新闻
NEWS
公司新闻
行业动态
常见问题
展位信息
方案
PROJECT
输配电力
消防电气
智能照明
工程业绩
关于
ABOUT
关于黄金城集团
企业文化
经理致辞
组织机构
黄金城集团
招聘
RECRUIT
人才战略
职业成长
招聘信息
在线招聘
黄金城集团商城+
阿里商城(1)
阿里商城(2)
淘宝商城(1)
淘宝商城(2)
在线客服
QQ售前咨询
QQ售前咨询
周1-周6 8:00-17:00
关注微信
企业微信号:rydq61780181
产品展示|PRODUCT
终端配电系列
小型断路器系列
塑壳断路器系列
自动重合闸系列
过欠压保护器系列
交/直流接触器系列
断路器辅助及附件系列
万能式断路器系列
开关设备系列
双电源转换开关系列
控制与保护开关系列
隔离开关系列
智能照明系列
智能照明模块系统
远程照明控制系统
可编程传感器系列
稳压电源系列
电力稳压器系列
中低压变压器系列
调压器系列
变频器系列
逆变器系列
消防电源系列
EPS应急电源系列
消防巡检柜系列
UPS不间断电源系列
直流控制屏系列
电气火灾监控系统
电气火灾监控主机系列
剩余电流零序互感器
剩余式火灾监控探测器
消防电源监控探测器
仪器仪表/互感器
指针式电流电压表系列
多功能电力仪表系列
电能管理系统系列
低压互感器系列
成套设备系列
低压开关设备系列
高压开关设备系列
箱式变电站系列
电缆分支箱系列
三箱类系列
高压元件系列
户内真空断路器系列
户外真空断路器系列
高压负荷开关系列
高压隔离开关系列
电力变压器系列
其他电器系列
电源浪涌保护器系列
微机综合保护装置系列
其它电器产品系列
产品搜索
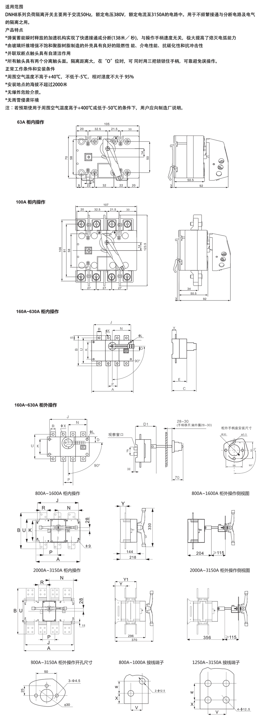
产品总汇|HGL-3P250A负荷隔离开关
HGL-3P250A负荷隔离开关
采购:HGL-3P250A负荷隔离开关
联系人:
*
(必填项)
电话:
*
(必填项)
邮箱:
(如:abc@163.com)
产品:
数量:
订购备注
:
*
相关产品
HR17熔断器式隔离开关
HR3熔断器式隔离开关
HGLZ1转换隔离开关
HGLR隔离开关
HGL-3P250A负荷隔离开关
HD11系列开启式刀开关
产品汇总
产品中心
资质证书
订货须知
资料索取
索取支持
客服服务
质量承诺
技术支持
投诉建议
新闻动态
公司新闻
行业动态
常见问题
展位信息
解决方案
输配电力
消防电气
智能照明
工程业绩
加入我们
人才战略
职业成长
招聘信息
在线招聘
关于黄金城集团
关于黄金城集团
企业文化
经理致辞
组织机构
关注我们
联系黄金城集团
公司地址:浙江温州市乐清市柳
市镇东凰屿村东中心路
公司电话:0577-61786222
商务传真:0577-61730101
电子邮箱:
1779226652@qq.com
版权所有 © 2024 浙江黄金城集团电气有限公司
浙ICP备88122845号
法律声明
|
隐私保护
|
网站地图
|
|
后台登陆
友链:
电动汽车充电桩
、
应急发电车快速接入装置
、
不锈钢扎带
、
无火花型电缆连接器
、
矿用电缆连接器
、
铜带软连接
、
防爆配电箱
、
防爆配电柜
、
DTU配网自动化终端
、
海格微型断路器
、
自锁式不锈钢扎带
、
应急电源接口
、
MC工业连接器
、
防爆大电流连接器
、
不锈钢扎带
、
聚容电气
、
江苏聚容
、
精密位移平台
、
手动位移平台
、
无火花型防爆插头插座
、
艾博电气
黄金城集团